抖圈论坛

可持续发展
Sustainable Development
可持续发展
天津天怡建筑规划设计有限公司案例
2019-11-20


       天津天怡建筑规划设计有限公司于2014年根据建筑设计市场发展趋势,成立了BIM设计部,主要服务于公司内部的项目深化设计和承接开发商项目优化设计。公司整合设计和施工个自优势,致力于装配式建筑PC构建的深化和优化,同时为施工提供深化设计。服务于集团的标准化施工要求,提升建筑产品的质量。目前BIM设计部与开发商基于BIM深化设计完成多项,主要包括管线综合类和复杂基础的模拟施工类型。并与天津中交绿城城市建设发展有限公司,天津市光合墅开发有限公司,北科泰达投资有限公司成合作协议,对其开发项目进行深化和优化设计。公司内部管线复杂施工图项目管线综合已经作为深化设计的有效工具。

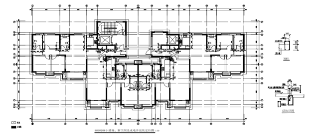
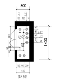
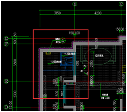
   1.管井深化:

               image.pngimage.png     image.png 

  2.地库管线综合:

     image.png       image.png

  3.外檐及基础深化:    

image.pngimage.png 

     image.pngimage.png

 

image.pngimage.png

  4. 装配式PC深化和施工图深化目前正在有序推进。深化具体成果如下:

image.png

image.png


法律声明
隐私政策